Bernardet C50 Sortie de grange

BAZOGE
Messages : 50
Inscription : 10 déc. 2021, 07:51

Bernardet C50 Sortie de grange

Message par BAZOGE »

Bonjour à tous,
Je m'appelle Frank (56 ans), j'habite près de Rennes et viens de récupérer un scooter Bernardet C50 de 1951 "sorti de grange" et ai donc fort logiquement décidé de m'inscrire sur ce sympathique :D site des "Tontons scooter"
Histoire de ce scooter : il a eu un seul propriétaire et le scooter a seulement servi de 1951 à 1953. Puis le propriétaire a gagné une voiture dans une loterie. Le C50 a alors été remisé dans un cabanon pour ne plus en bouger jusqu'à ce que le fils du propriétaire (alors décédé) le récupère probablement dans les années 80 et fasse établir la carte grise à son nom. Le C50 a alors continué sa longue léthargie avec toutefois quelques coups de kick de temps en temps puis une malheureuse tentative de restauration carrosserie "au pinceau sans démontage", puis surement quelques tripatouillages du faisceau électrique.
Depuis 4 ans, je "tanne" le proprio (via son frère qui est un collègue) en lui disant que s'il le vend, je suis intéressé. Au final, le proprio devant déménager rapidement, il décide de me donner le C50 (qui est complet, sauf le bouton de klaxon et le rétro à priori) avec une remorque (!!) un autre morceau de châssis avec un moteur complet (non bloqué, mais qui est peut etre un 175 cc) des casques et blousons de cuir d'époque+ bien sur la carte grise et quelques documents d'époques. Tout cela est donc chez moi depuis 1 semaine. Actuellement je fais changer la carte grise.
Objectif : lui redonner vie bien sûr ! Le moteur n'est pas bloqué et présente même de la compression..
Pour la carrosserie, ayant un père carrossier auto et un frère garagiste, on doit pouvoir faire un truc sympa. Y'a du boulot mais ca ne m'inquiète pas + que ça
Pour la mécanique, pour le moment j'imagine confier le moteur complet à un pro pour une très grosse révision (fonctionnement mécanique, allumage, embrayage, passage de vitesses, carbu, vidange boite). Etant juste un peu bricoleur, je ne me vois pas faire ça moi même en jouant aux apprentis sorciers vu que je n'ai aucune connaissance des moteurs Ydral, l'expérience d'un pro me parait plus raisonnable. Si vous avez des noms/adresses à me recommander ce serait super. Le prix à payer pour ça sera ce qu'il faut pour que ça fonctionne bien !
Mais avant ça, je vais devoir refaire le faisceau électrique et pour ça j'aurai plusieurs questions à poser (dans un post spécifique à venir) car là il y a un certain nombre de choses que je ne comprend pas. Ensuite il faudra refaire la suspension avant et les freins et là on commencera à être pas mal.
Merci d'avoir eu la patience de lire cette première présentation. Bonne journée à tous. Frank
Pièces jointes
C50-2.jpg
Avatar de l’utilisateur
erreipnaej
...
...
Messages : 144
Inscription : 30 juil. 2018, 13:28
Localisation : Nord du Val d'Oise - Sud de l'Oise
Contact :

Re: Bernardet C50 Sortie de grange

Message par erreipnaej »

Bienvenue Franck !
Poirier Monoto XW5 1951, Bajaj Chetak classic Mai 1997
https://www.les-renault-d-avant-guerre.com/t12403-AEB2-Coach-934711-F18574.htm
Avatar de l’utilisateur
TONTONSCOOT
Site Admin
Site Admin
Messages : 10162
Inscription : 02 mars 2006, 09:52
Localisation : FIERVILLE LES PARCS (14)

Re: Bernardet C50 Sortie de grange

Message par TONTONSCOOT »

Bonjour et bienvenue.
Belle trouvaille et perspicacité auprès de l'ancien proprietaire pour pouvoir le récuperer.
Ton porte bagage avant m'a bien l'air artisanal ;) !

Pas de difficultés particulières pour une restauration de C50 surtout lorsqu'il est complet comme le tien.
Démontage intégral en prenant soin de prendre des photos d'ordonner les pièces au fil du démontage...

Puis dans l'ordre, inverse, remontage châssis, trains roulants, moteur, carrosserie, accessoires.
Nous sommes plusieurs à avoir restauré ici des C50/BM250, et nous aurons le plaisir de pouvoir t'aider via ce forum.

NB : Je te bascule dans la rubrique “Etabli”
-- IN RUST WE TRUST --
BAZOGE
Messages : 50
Inscription : 10 déc. 2021, 07:51

Re: Bernardet C50 Sortie de grange

Message par BAZOGE »

Merci pour votre accueil :) , je prépare un second poste sur des questions concernant le faisceau électrique...
A très bientôt. Frank
Avatar de l’utilisateur
TONTONSCOOT
Site Admin
Site Admin
Messages : 10162
Inscription : 02 mars 2006, 09:52
Localisation : FIERVILLE LES PARCS (14)

Re: Bernardet C50 Sortie de grange

Message par TONTONSCOOT »

De rien. Continue plutôt ici ton fil de discussion, ce sera plus simple.

Je ne suis vraiment pas calé en électricité, loin sans faut, mais d'après les retours d'expérience de ceux qui les ont refait, y'a pas top de soucis.
Deux options : tu conserve une batterie, .... ou pas.

Une batterie c'est bien, mais le faisceau est plus complexe, puisqu'il faut un redresseur, etc... sans compter de l'utilité même d'une batterie, ton scooter une fois restauré n'ayant pas l'occasion de faire 200 bornes de nuit en plein hiver.
Sans batterie, bien réglé, l'Ydral tourne rond, et sort assez de jus par le volant magnétique pour les éclairages, donc bon....
-- IN RUST WE TRUST --
BAZOGE
Messages : 50
Inscription : 10 déc. 2021, 07:51

Re: Bernardet C50 Sortie de grange

Message par BAZOGE »

Merci pour ce premier et précieux conseil : je vais donc abandonner la batterie et refaire un faisceau en conséquence. A bientôt avec quelques petites questions supplémentaires.
Frank
Avatar de l’utilisateur
jean-do
Messages : 1793
Inscription : 25 juin 2007, 21:22
Localisation : le breuil (en bourgogne)
Contact :

Re: Bernardet C50 Sortie de grange

Message par jean-do »

belle histoire, c'est deja un bout de la magie !
dans un beau jus , envisage voir de juste decaper délicatement les coups de pinceaux dans 'l'espoir de le conserver dans son bel état d'origine ??.... disons que ça s'essaye
quant au moteur, aucun souci majeur, on peut envisager ça si tu ne trouves personne plus pres
l'intéressant est derrière le tablier...
9ème BiSBi National Rally 23-25aout 2024 ,
Prés' assoc' Bubblecars &Scooters en Bourgogne
http://bubblecars.aero-jean-do.com & https://www.facebook.com/profile.php?id=100000207327426#!/profile.php?id=100000207327426
BAZOGE
Messages : 50
Inscription : 10 déc. 2021, 07:51

Re: Bernardet C50 Sortie de grange

Message par BAZOGE »

Bonsoir à tous,
Merci Jean-Do pour ton message. Pour la peinture, il y a aussi un peu de rouille (non perforante, donc le mieux sera de tout décaper et de tout repeindre, mais quand on en sera là le bout du tunnel approchera à grands pas :). Pour le moteur, merci pour ta proposition d'aide , c'est vraiment très sympa. On va voir si je peux trouver (sur vos conseils) un pro dans le 35 ou en région Parisienne pour faire ça, ou bien un passionné que je paierai car il ne s'agit en aucun cas d'abuser de la gentillesse des membres de ce forum. Déjà vos précieux conseils, ce sera beaucoup :ouai!:

Du coup j'ai une première question surement très naïve : vu qu'il n'y a pas de "clé de contact" ou équivalent, comment démarre t'on un C50 et surtout, comment coupe t'on le moteur?
Il y a bien un espèce de shunt sur le "tableau de bord" mais vu qu'il n'est relié à rien je me demande bien à quoi il sert.
Capture.PNG
Par avance merci pour votre éclairage.
Frank
BAZOGE
Messages : 50
Inscription : 10 déc. 2021, 07:51

Re: Bernardet C50 Sortie de grange

Message par BAZOGE »

Encore une question électrique : dans le bas du compartiment moteur il y a un fil électrique qui passe sur une des ailettes en alu pour revenir se connecter à un genre de bornier, puis ressortir de l'autre coté du "bornier". Pouvez vous me dire à quoi sert cet espèce de bornier ? En plus le passage du fil sur une des ailettes n'est probablement pas d'origine.
C50-3.jpg
Par avance merci. Frank
Avatar de l’utilisateur
smut
...
...
Messages : 371
Inscription : 10 mai 2013, 11:43
Localisation : Auneau 28

Re: Bernardet C50 Sortie de grange

Message par smut »

noel avant noel . Belle acquisition ; pour le moteur YDRAL ; la pochette de joint , les roulements , les joints spy , vérifier le jeu au vilo , une bonne restauration dans les règles quoi :;):
Après : on est plusieurs a avoir restaurer des BERNARDETs / YDRAL ; tu es au bon endroit .
j'adore quand un plan se déroule sans accrocs "HANNIBAL SMITH"
Avatar de l’utilisateur
jean-do
Messages : 1793
Inscription : 25 juin 2007, 21:22
Localisation : le breuil (en bourgogne)
Contact :

Re: Bernardet C50 Sortie de grange

Message par jean-do »

la rouille de surface n'est pas dangereuse, un coup de pinceau avec un vernis la bloque ... de toute façon, comme tous nos engins de collection, ils dorment les 3/4 du temps au chaud, ne sortent que quand il fait beau, et s'ils prennent une fois la pluie, passent la semaine qui suit dans le salon pres de la cheminée !!!!
le moteur, j'ai pas forcement parlé de bénévolat ! ahahahah ... Pujol est plus pres et plus que competent !
quand à ton bornier, c'est juste le fil de la loupiote arrière a déconnecter quand tu enlèves la caisse arrière .
le contact est normalement avec un comodo a tourner, contact ou recharge batterie et contact , sans doute remplacé par ta prise d'appartement !??!
l'intéressant est derrière le tablier...
9ème BiSBi National Rally 23-25aout 2024 ,
Prés' assoc' Bubblecars &Scooters en Bourgogne
http://bubblecars.aero-jean-do.com & https://www.facebook.com/profile.php?id=100000207327426#!/profile.php?id=100000207327426
BAZOGE
Messages : 50
Inscription : 10 déc. 2021, 07:51

Re: Bernardet C50 Sortie de grange

Message par BAZOGE »

Bonjour,
Merci à tous pour vos réponses et conseils! Pour le moteur et la carrosserie, je reviendrai sûrement vers vous un peu plus tard.
Merci Jean Do pour tes explications sur le bornier, voilà un sujet de moins à comprendre !
L'espèce de shunt sur le "tableau de bord" n'est donc pas d'origine et on devrait plutôt trouver à la place un commodo à tourner. En effet, ça parait bien plus logique ! Mauvaise nouvelle, car il va falloir que j'en trouve un idéalement d'origine :( , ou bien quelque chose qui permettra à minima d'assurer la fonction).
Quelqu'un aurait il une photo de ce contacteur?
Tout cela semble bien confirmer que la partie électrique a été plus que bidouillée.
D'ailleurs je découvre aussi un autre bornier dans le compartiment moteur qui a un air de "rajouté" (et dont j'ignore la fonction, sauf à préciser qu'une remorque avait été rajoutée à ce scooter. Peut être pour l'éclairage de la remorque?). Il ya aussi un fil qui passe juste à côté de ce bornier et qui n'est raccordé à rien. Si vous avez une explication...
Capture2.PNG
Dernière question de compréhension électrique (enfin j'espère) :) . Sur la pédale de droite il y a un ressort qui actionne un genre de contacteur de stop, mais qui lui aussi n'est raccordé à rien électriquement. Est ce d'origine?
Capture3.PNG
Pour éviter que je vous incommode avec mes questions électriques successives, idéalement, il me faudrait un plan de faisceau en version "sans batterie" comme le suggère judicieusement TONTONSCOOT. L'un d'entre vous aurait t'il ça en magasin ?
Bon début de semaine. Frank
Avatar de l’utilisateur
TONTONSCOOT
Site Admin
Site Admin
Messages : 10162
Inscription : 02 mars 2006, 09:52
Localisation : FIERVILLE LES PARCS (14)

Re: Bernardet C50 Sortie de grange

Message par TONTONSCOOT »

Sincèrement, ne te fais pas de noeuds au cerveau pour l'électricité tout de suite.... je dirais même que c'est ce qu'il y a à faire en dernier, une fois ton moteur remis en place dans ton châssis/carrosserie restauré.
Tu pourras même rouler (de jour ;) ) puis faire ton faisceau tranquille.

Dans un 1er temps, observe tout, démonte, note, range, repère, gratte, dégraisse, repeint, ....
Dans l'ordre : chassis nu, fourche (roulements, machoires de freins, anneaux neiman... Une fois ton chassis roulant, attaque toi à la carrosserie, puis ensuite moteur, etc...
-- IN RUST WE TRUST --
BAZOGE
Messages : 50
Inscription : 10 déc. 2021, 07:51

Re: Bernardet C50 Sortie de grange

Message par BAZOGE »

D'accord, on verra donc le sujet électricité plus tard, en effet ce n'est pas bloquant pour le reste, juste de la curiosité.
Je vais attaquer le démontage prochainement et ne manquerai pas de revenir au moins pour vous informer de l'avancement
A Bientôt.
Avatar de l’utilisateur
pujol
...
...
Messages : 1352
Inscription : 03 mai 2008, 15:02

Re: Bernardet C50 Sortie de grange

Message par pujol »

Ne cherche pas de commodo, tu as le bon modèle. (Vérifier si il est opérationnel)
1ére position : tout et coupé, y compris le moteur
2 ème postion : position moteur en marche
3 ème position : veilleuses AV/AR alimentées par la batterie.
4 ème position : code (alimenté en alternatif depuis le volant magnétique)
5 ème position : phare (Alim idem au code)
=> Double alimentation au niveau du commodo : alternatif et continu.

Les deux files qui pendent sous le commodo sont très probablement destinés au klaxon qui est alimenté par la batterie. Il te manque le bouton poussoir qui devrait être sous le commodo.

Pour la commande du feu stop, aucun intérêt. D'origine, il n'y en avait pas et le feu AR ne peut assurer cette fonction (un seul porte navette à l'intérieur).

Pour le redresseur Verdier, généralement ça ne pose pas de problème, il n'y a que des plaques à l'intérieur qui assurent le redressement. C'est l'ancêtre des diodes (aucun composant électronique)

Le shunt sur ton tableau de bord est probablement / peut-être (je ne suis pas devin :;): ) un coupe circuit batterie


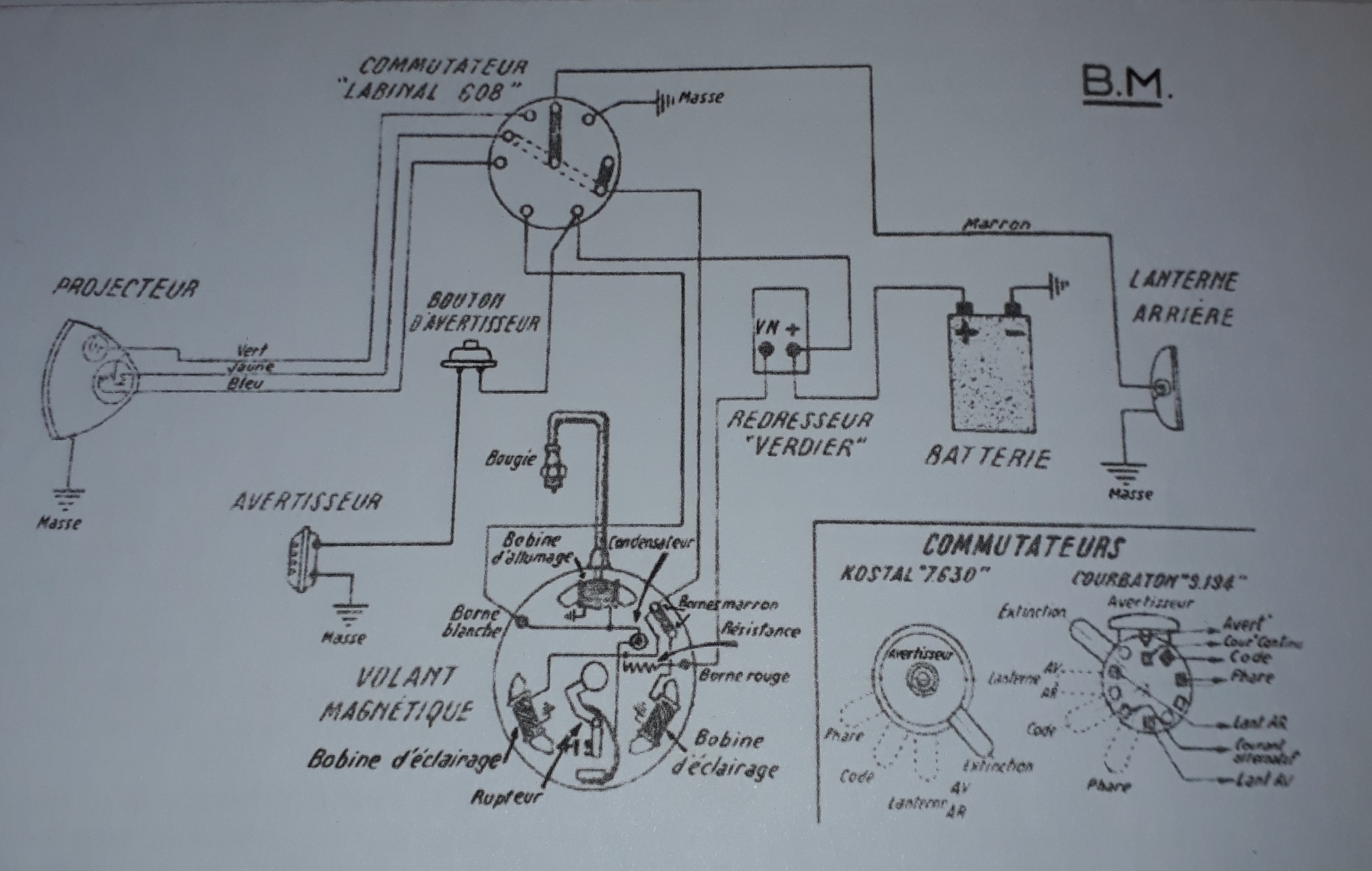
Ci dessous, le schéma de principe du BM qui doit être identique à ton C50 (le schéma électrique de l'ACVB pour C50 ne correspond pas à ton modèle)
Pièces jointes
20211213_193708.jpg
Avatar de l’utilisateur
jean-do
Messages : 1793
Inscription : 25 juin 2007, 21:22
Localisation : le breuil (en bourgogne)
Contact :

Re: Bernardet C50 Sortie de grange

Message par jean-do »

eh ben voila , je t'avais parlé de pujol, le voila !
bravo maestro ...
l'intéressant est derrière le tablier...
9ème BiSBi National Rally 23-25aout 2024 ,
Prés' assoc' Bubblecars &Scooters en Bourgogne
http://bubblecars.aero-jean-do.com & https://www.facebook.com/profile.php?id=100000207327426#!/profile.php?id=100000207327426
BAZOGE
Messages : 50
Inscription : 10 déc. 2021, 07:51

Re: Bernardet C50 Sortie de grange

Message par BAZOGE »

Merci Pujol pour ces informations très intéressantes :wink: :grâce à toi, je viens de comprendre que le commodo à gauche sur le guidon n'est pas simplement le commodo de commande d'éclairage (désolé je débute complètement) :) . Le commodo a l'air fonctionnel et dispose de 4 positions au lieu de 5 mais cela semble tout à fait correspondre au schéma électrique du BM que tu as posté. Super, car j'ai cherché en vain un schéma électrique du C50 et donc maintenant tout est beaucoup plus clair.
Comme me l'a conseillé TONTONSCOOT, je vais attaquer le démontage complet de la bête pour une restauration en bonne et due forme châssis et carrosserie (dont freins et anneau Neiman), et on verra pour le moteur dans un second temps. A ce sujet je recherche toujours un pro pour lui faire une révision complète moteur boite allumage carbu embrayage, si quelqu'un connait une bonne adresse d'un "spécialiste" Ydral, je suis preneur. Rien ne presse cependant.
A bientôt. Frank
Avatar de l’utilisateur
guepar
Messages : 342
Inscription : 21 juil. 2014, 18:39
Localisation : Antony
Contact :

Re: Bernardet C50 Sortie de grange

Message par guepar »

Frank,
les caractéristiques de l'équipement électrique des Scooters BERNARDET est ici
http://www.bernardet.com/association/as ... lectricite

Je ne suis pas non plus spécialiste électricité, mais j'avais trouvé ce schéma de branchement simple, sans batterie
elec e50.jpg
Christophe Fresneau
www.bernardet.com
Facebook : acvb.bernardet
Mon LIVRE BERNARDET est disponible sur le site !
renan
.
.
Messages : 968
Inscription : 04 mai 2006, 14:37
Localisation : RP et Yonne

Re: Bernardet C50 Sortie de grange

Message par renan »

Un bien beau modèle de scooter et que du beau monde pour te conseiller : je vais suivre tout cela avec assiduité et plaisir :-)
Tôt ou tard vous viendrez au VeloSolex...
BAZOGE
Messages : 50
Inscription : 10 déc. 2021, 07:51

Re: Bernardet C50 Sortie de grange

Message par BAZOGE »

Bonjour,
Merci guepar pour ce lien qui répond bien à mes questions électriques du moment, j'étais bien allé sur le site Bernardet, mais je n'avais pas vu tous ces documents sur la partie électrique, une vraie mine d'informations ! En prenant bien le temps de lire tout ça, on doit en ressortir grandi :D
Début du démontage prévu peut être la semaine prochaine si tout va bien, et si c'est le cas quelques photos à partager surement, voire quelques questions surement basiques, mais si ça évite de faire des erreurs, c'est quand même mieux !
Encore un grand merci à tous pour ces premiers échanges/commentaires/remarques toujours positives et constructives.
Avatar de l’utilisateur
lionelcz
Messages : 31
Inscription : 05 nov. 2019, 19:19
Localisation : Fréjus Var

Re: Bernardet C50 Sortie de grange

Message par lionelcz »

Bienvenu à toi !
Encore un splendide Bernie qui va bientôt retrouver la route et faire de belles balades avec les TTS :)
Nous allons suivre les différentes étapes de ta restauration :)
Avatar de l’utilisateur
Babaji
Messages : 48
Inscription : 30 mars 2008, 18:32
Localisation : St-Brieuc (Côtes d'Armor).
Contact :

Re: Bernardet C50 Sortie de grange

Message par Babaji »

Adorable ces C50, félicitations et bonne restauration !
BAZOGE
Messages : 50
Inscription : 10 déc. 2021, 07:51

Re: Bernardet C50 Sortie de grange

Message par BAZOGE »

Bonjour à tous,
Tout d'abord, encore merci pour vos messages et encouragements. Il y a du boulot avant de le revoir sur la route, mais bon c'est parti.
Avec mon niveau bricoleur moyen, je prends mon temps, mais le démontage a bien commencé cette semaine comme prévu
20211223_165504.jpg
20211223_164427.jpg
Pas de difficulté majeure pour le moment mais juste des tas d'accessoires à démonter. WD40 est vraiment un ami :)
Etape prochaine : démontage de la partie direction, il va falloir faire attention que les billes ne sautent pas dans tous les sens :shock:
Cela permettra de sortir le "tablier avant " (désolé c'est ptet pas le bon nom) et j'en aurai fini avec les pièces de carrosserie, enfin le démontage seulement. Je pourrai donc donner tout ça à mon carrossier/chaudronnier de père qui s'est proposé de tout gratter/poncer. Il y a de quoi faire là aussi car il y a de la rouille (heureusement non perforante) sous les baguettes et autres accessoires, et aussi une deuxième couche de peinture au pinceau en mode sagoin qui demandera bien des efforts de ponçage! Et puis à presque 84 ans, il ne va plus très vite, mais s'agissant de main d'oeuvre qualifiée et gratuite, on va pas faire la fine bouche :D
Ah si, la tôle du plancher est bien pourri. Mais en la récupérant comme gabarit, le même chaudronnier carrossier doit pouvoir aussi s'en sortir :lol:
Ensuite il faudra démonter le moteur, les pédales, la roue AR et on sera pas loin du cadre nu. Je ne sais pas encore si il vaut mieux le sabler ou si un bon brossage suffira avant apprêt + peinture. Vos conseils sont les bienvenus. Je me posais aussi la question sur les pièces de carrosserie, est ce qu'un sablage serait mieux?
Bref, j'espere pouvoir attaquer la mécanique (freins AV/AR, et moyeu AV + anneau Neiman en Janvier.
A bientôt pour la suite ! Bonnes fêtes de fin d'année.
Avatar de l’utilisateur
TONTONSCOOT
Site Admin
Site Admin
Messages : 10162
Inscription : 02 mars 2006, 09:52
Localisation : FIERVILLE LES PARCS (14)

Re: Bernardet C50 Sortie de grange

Message par TONTONSCOOT »

Hello.
A priori, pas besoin de démonter la fourche pour sortir le tablier !

Pas besoin de sablage pour le châssis. Gratté à nu, puis peinture noire satinée anticorrosion.
Par contre, tout ce qui est carrosserie, perso j'avais opté pour le sablage puis traitement zingué.
(Dans tous les cas, enlève en faisant péter les rivets, ta plaque des mines.)

Bon courage pour la suite, et surtout, prends des photos de repérage du démontage.
-- IN RUST WE TRUST --
Avatar de l’utilisateur
pujol
...
...
Messages : 1352
Inscription : 03 mai 2008, 15:02

Re: Bernardet C50 Sortie de grange

Message par pujol »

Perso, c'est sablage des éléments de carrosserie (attention, pas de "projection de cailloux" !!! Plutôt genre aérogommage) suivi d'un apprêt phosphatant. Puis X couches d'apprêt de charge (en fonction des besoins) Ensuite un apprêt de finition, et enfin, la peinture avec une teinte d'origine.
Pour le cadre, sablage et peinture époxy au four (c'est top et ça coûte pas cher) Cependant, attention : bien protéger les filetages et les cages de roulement de fourche, si elles ne sont pas démontées. Idem pour les éléments de suspension et les tambours de frein. Là aussi bien protéger les parties qui ne doivent pas recevoir de peinture !!!
Avatar de l’utilisateur
guepar
Messages : 342
Inscription : 21 juil. 2014, 18:39
Localisation : Antony
Contact :

Re: Bernardet C50 Sortie de grange

Message par guepar »

Le démontage de la carrosserie est expliqué dans le Livret du BM.250, c'est le même principe, page 20
http://www.bernardet.com/association/as ... tml#livret
Christophe Fresneau
www.bernardet.com
Facebook : acvb.bernardet
Mon LIVRE BERNARDET est disponible sur le site !
renan
.
.
Messages : 968
Inscription : 04 mai 2006, 14:37
Localisation : RP et Yonne

Re: Bernardet C50 Sortie de grange

Message par renan »

Merci Guépar du tuyau,
Je vais regarder cela aussi avec intérêt :-)
Tôt ou tard vous viendrez au VeloSolex...
BAZOGE
Messages : 50
Inscription : 10 déc. 2021, 07:51

Re: Bernardet C50 Sortie de grange

Message par BAZOGE »

Bonjour à tous,
Pour le démontage de la carrosserie, en effet la page 20 de la doc sur le BM250 est très explicite. Y'a plus qu'à !
Merci également Pujol pour ce précieux conseil que je vais suivre rigoureusement : il y a des adresses pour l'Aero gommage sur Rennes, donc je vais en contacter 2 ou 3 pour un devis, et en effet, ce sera juste parfait en terme de décapage. Je ne connaissais que le sablage et en effet, j'avais peur des dégâts car trop violent. L'Aéro gommage, c'est une découverte pour moi et donc une bonne nouvelle pour un travail dans les règles de l'art. C'est vraiment super ce forum !
BAZOGE
Messages : 50
Inscription : 10 déc. 2021, 07:51

Re: Bernardet C50 Sortie de grange

Message par BAZOGE »

Bonjour,

Le démontage continue lentement mais surement.
Petite question pour le démontage du câble de frein AR (et de sa gaine). Côté pédale il y a un arrêt de cable cylindrique serti donc rien ne se démonte de ce côté. Côté tambour, dans un premier temps j'ai démonté le levier du tambour car je n'arrive pas à séparer le câble et sa gaine qui sont insérés dans le petit axe cylindrique de ce levier de tambour. Est ce serti? Collé par la rouille ? Vissé?
20211227_122826.jpg
Faut il couper le cable et en remettre un neuf en bricolant un système de réglage côté tambour?
Bref, vos conseils sont les bienvenus ! Par avance merci
Avatar de l’utilisateur
pujol
...
...
Messages : 1352
Inscription : 03 mai 2008, 15:02

Re: Bernardet C50 Sortie de grange

Message par pujol »

Ne coupe surtout pas le câble ! C'est pratiquement introuvable.
Faire tremper les pièces dans du gasoil ou du dégrippant. Autre solution plus rapide : un choc thermique.
La flèche rouge sur la première photo indique un écrou. Il y a parfois un contre écrou.
Le filetage du câble doit coulisser dans la pièce cylindrique du levier pour ajuster le réglage du frein en fonction de la tension/longueur de la chaîne.
(Les deux autres photos ci-dessous proviennent d'un BM250, mais c'est le même principe)
Pièces jointes
écrou.JPG
écrou.JPG (23.65 Kio) Consulté 121873 fois
20211227_142101.jpg
Câble de frein AR BM250.JPG
Avatar de l’utilisateur
jean-do
Messages : 1793
Inscription : 25 juin 2007, 21:22
Localisation : le breuil (en bourgogne)
Contact :

Re: Bernardet C50 Sortie de grange

Message par jean-do »

coupe pas !!! pas de violence inutile ou mal placée
il existe après le brossage et l''observation; le dégrippant et la patience; le coup de chaud et de froid, et avant la meuleuse, .....le casse-écrou ( ou coupe boulon ) ....
l'intéressant est derrière le tablier...
9ème BiSBi National Rally 23-25aout 2024 ,
Prés' assoc' Bubblecars &Scooters en Bourgogne
http://bubblecars.aero-jean-do.com & https://www.facebook.com/profile.php?id=100000207327426#!/profile.php?id=100000207327426
BAZOGE
Messages : 50
Inscription : 10 déc. 2021, 07:51

Re: Bernardet C50 Sortie de grange

Message par BAZOGE »

Merci pour vos conseils, on va laisser le f40 agir plusieurs jours. En effet, le but est de ne rien abîmer.
BAZOGE
Messages : 50
Inscription : 10 déc. 2021, 07:51

Re: Bernardet C50 Sortie de grange

Message par BAZOGE »

Oups, le wd 40
BAZOGE
Messages : 50
Inscription : 10 déc. 2021, 07:51

Re: Bernardet C50 Sortie de grange

Message par BAZOGE »

Bonjour à tous,
Excellente année à vous avec la santé pour, entre autres, entretenir vos passions!
Quelques nouvelles du front : le démontage se poursuit. Il me reste la fourche avant et la béquille centrale en gros
20220109_131517.jpg
20220109_131524.jpg
.
Comme suggéré par PUJOL, j'essaye de faire comme Albert Spaggiari : sans haine ni violence :D , donc pour le moment ça se passe bien. L'écrou central du moyeu de roue AR était bien bloqué (serré à mort) :evil: , mais avec WD40, chauffe et un bon bras de levier de 80 cm, il a fini par céder non sans mal. Ecrou intact.
Prochaines étapes : finir le démontage puis démonter moyeu de roue avant et arrière pour voir l'état des roulements et des freins. Puis refaire la tôle de plancher qui est bien pourrie.
Ensuite j'aimerai bien confier le moteur à un spécialiste de motos/scooters anciens pour révision carbu, allumage, embrayage, BV et tout le reste car je n'ai pas les compétences requises pour ça. Si vous avez un pro qui connait les moteurs Ydral à me suggérer ce serait super.
En effet, ce serait mieux d'être rassuré sur l'état du moteur avant d'envoyer les pièces de carrosserie+ châssis en aéro gommage + peinture. Par avance merci pour vos précieux conseils. :wink:
newmap
Messages : 6
Inscription : 27 févr. 2019, 21:32

Re: Bernardet C50 Sortie de grange

Message par newmap »

Il faudra penser remettre la culasse dans le bon sens pour mieux profiter de la ventilation
Avatar de l’utilisateur
TONTONSCOOT
Site Admin
Site Admin
Messages : 10162
Inscription : 02 mars 2006, 09:52
Localisation : FIERVILLE LES PARCS (14)

Re: Bernardet C50 Sortie de grange

Message par TONTONSCOOT »

Non. Elle est dans le bon sens.....
-- IN RUST WE TRUST --
mcdouve
...
...
Messages : 2216
Inscription : 29 mai 2012, 22:50
Localisation : 32800 eauze (gers)

Re: Bernardet C50 Sortie de grange

Message par mcdouve »

il me semble que sur les bernardet c'etait de l air aspiré et non soufflé d ou le positionnement de la culasse.
Avatar de l’utilisateur
pujol
...
...
Messages : 1352
Inscription : 03 mai 2008, 15:02

Re: Bernardet C50 Sortie de grange

Message par pujol »

Sauf erreur de ma part, elle est dans le bon sens.
Il serait possible d'installer la volute avec la culasse dans d'autres sens ?
BAZOGE
Messages : 50
Inscription : 10 déc. 2021, 07:51

Re: Bernardet C50 Sortie de grange

Message par BAZOGE »

newmap a écrit :Il faudra penser remettre la culasse dans le bon sens pour mieux profiter de la ventilation
Bonjour, la culasse semble parfaitement symétrique, peux tu préciser?
Avatar de l’utilisateur
TONTONSCOOT
Site Admin
Site Admin
Messages : 10162
Inscription : 02 mars 2006, 09:52
Localisation : FIERVILLE LES PARCS (14)

Re: Bernardet C50 Sortie de grange

Message par TONTONSCOOT »

La volute de refroidissement brasse bien son air dans le bon sens des culasses.
CQFD
Pièces jointes
l45.jpg
-- IN RUST WE TRUST --
mcdouve
...
...
Messages : 2216
Inscription : 29 mai 2012, 22:50
Localisation : 32800 eauze (gers)

Re: Bernardet C50 Sortie de grange

Message par mcdouve »

de toute façon y'a pas moyen de se tromper car la partie ar de la culasse est légérement pointue de facon a épouser la volute.
BAZOGE
Messages : 50
Inscription : 10 déc. 2021, 07:51

Re: Bernardet C50 Sortie de grange

Message par BAZOGE »

Merci pour vos différentes réponses. Me voilà rassuré. Pour info j'ai trouvé quelqu'un (via le club Ydral) pour s'occuper du moteur (démontage complet et remise en état de tout ce qui en a besoin). Affaire à suivre.
BAZOGE
Messages : 50
Inscription : 10 déc. 2021, 07:51

Re: Bernardet C50 Sortie de grange

Message par BAZOGE »

Bonjour,
Quelques nouvelles :
Je viens de recevoir la tôle de plancher refaite, ça à l'air super:
20220207_112932[2].jpg
Ensuite, toute la carrosserie + cadre partiront en aéro gommage
En parallèle les garnitures de freins viennent d'être refaites (merci à Pujol pour l'adresse à Ris Orangis donnée dans un autre post)
20220202_111931[1].jpg
Prochaine étape semaine prochaine j'espère : remplacement des joints spis et roulements à billes des moyeux AV et AR (juste les roulements à billes car ceux à aiguille ont l'air bons et sont surtout horriblement chers). Bien sûr apprêt peinture et remontage de ces ensembles avec les freins neufs pour que ce soit tout bien tout beau.
Côté moteur, il est entièrement démonté par le mécanicien expert : mauvaise nouvelle, fissure sur le carter :
Carter.jpg
Après discussion avec le mécanicien expert, et après avoir hésité, décision a été prise de récupérer le carter du second moteur. Après "ouverture" il ne présente pas le défaut. Pourquoi avoir hésité? Ben il y a 2 gros roulements de Vilebrequin qui supportent l'effort et ce "petit" roulement est juste à côté d'un des 2 gros. Alors peut être que ça n'aurait pas posé problème. C'est d'ailleurs bizarre cette conception avec 3 roulements sur un même axe. Au final on a préféré ne pas prendre de risque et utiliser le second carter. Remontage en cours. Il reste encore à refaire les bobines, changer les vis platinées, refaire l'embrayage etc... Donc encore de quoi faire.
Petite question : comment change t'on la couronne dentelée du moyeu AR quand les dents sont usées? Ca m'a l'air soudé au tambour.
Ce n'est pas à l'ordre du jour, mais je me pose la question en passant...
A bientôt
renan
.
.
Messages : 968
Inscription : 04 mai 2006, 14:37
Localisation : RP et Yonne

Re: Bernardet C50 Sortie de grange

Message par renan »

BAZOGE a écrit :Bonjour,
Quelques nouvelles :
Je viens de recevoir la tôle de plancher refaite, ça à l'air super:
20220207_112932[2].jpg
Ensuite, toute la carrosserie + cadre partiront en aéro gommage
En parallèle les garnitures de freins viennent d'être refaites (merci à Pujol pour l'adresse à Ris Orangis donnée dans un autre post)
20220202_111931[1].jpg
Prochaine étape semaine prochaine j'espère : remplacement des joints spis et roulements à billes des moyeux AV et AR (juste les roulements à billes car ceux à aiguille ont l'air bons et sont surtout horriblement chers). Bien sûr apprêt peinture et remontage de ces ensembles avec les freins neufs pour que ce soit tout bien tout beau.
Côté moteur, il est entièrement démonté par le mécanicien expert : mauvaise nouvelle, fissure sur le carter :
Carter.jpg
Après discussion avec le mécanicien expert, et après avoir hésité, décision a été prise de récupérer le carter du second moteur. Après "ouverture" il ne présente pas le défaut. Pourquoi avoir hésité? Ben il y a 2 gros roulements de Vilebrequin qui supportent l'effort et ce "petit" roulement est juste à côté d'un des 2 gros. Alors peut être que ça n'aurait pas posé problème. C'est d'ailleurs bizarre cette conception avec 3 roulements sur un même axe. Au final on a préféré ne pas prendre de risque et utiliser le second carter. Remontage en cours. Il reste encore à refaire les bobines, changer les vis platinées, refaire l'embrayage etc... Donc encore de quoi faire.
Petite question : comment change t'on la couronne dentelée du moyeu AR quand les dents sont usées? Ca m'a l'air soudé au tambour.
Ce n'est pas à l'ordre du jour, mais je me pose la question en passant...
A bientôt
Ca avance bien : top,

Pour info, qui a refait la tôle du plancher ?
Merci pour ta réponse,
Tôt ou tard vous viendrez au VeloSolex...
BAZOGE
Messages : 50
Inscription : 10 déc. 2021, 07:51

Re: Bernardet C50 Sortie de grange

Message par BAZOGE »

Ca a été fait dans une métallerie pas très loin de chez moi : le patron a fort gentiment accepté de faire ce travail, mais il a reconnu ne pas "courir après ce genre de prestation" car ce n'est pas très rentable pour lui qui fait plutôt de la petite série. Donc je ne peux pas communiquer son adresse, vu qu'il l'a fait pour rendre service. C'est vrai qu'avec découpe laser, plieuse, on a un très bon résultat.
Tout ça pour 60€, c'est clair que c'était vraiment pour rendre service ! Cela dit, on doit pouvoir trouver d'autres métalleries qui accepteraient de faire, car selon le patron, ce n'est pas compliqué.
renan
.
.
Messages : 968
Inscription : 04 mai 2006, 14:37
Localisation : RP et Yonne

Re: Bernardet C50 Sortie de grange

Message par renan »

Ok merci de ta réponse,
Je comprends, pas de soucis,
Je cherche une solution comme celle ci, pas pour le plancher en particulier,
On a un peu la même recherche pour faire les caches de roue de secours, car quelques un manquent à l'appel.
Tôt ou tard vous viendrez au VeloSolex...
BAZOGE
Messages : 50
Inscription : 10 déc. 2021, 07:51

Re: Bernardet C50 Sortie de grange

Message par BAZOGE »

renan a écrit :Ok merci de ta réponse,
Je comprends, pas de soucis,
Je cherche une solution comme celle ci, pas pour le plancher en particulier,
On a un peu la même recherche pour faire les caches de roue de secours, car quelques un manquent à l'appel.
Ah oui, c'est moins évident comme forme
BAZOGE
Messages : 50
Inscription : 10 déc. 2021, 07:51

Re: Bernardet C50 Sortie de grange

Message par BAZOGE »

Bonjour à tous,
En attendant d'avancer sur les autres sujets, j'ai commencé à jeter un oeil au faisceau avec la volonté de comprendre le schéma et le fonctionnement électrique.
Le commutateur est un VLC
20220210_112604.jpg
Vu arrière une fois ouvert:
20220210_112538.jpg
A l'aide d'un Ohmmètre j'ai pu à la fois vérifier et comprendre le fonctionnement, donc établir un petit schéma :
20220210_113251.jpg
Le fonctionnement des veilleuses, code, phare et feu AR est donc clair pour moi : courant redressé pour le feu AR et la veilleuse AV en position 1 du commutateur, courant sortie bobine pour le feu AR et le code AV en position 2, courant sortie bobine également pour le feu AR et le phare en position 3.
Maintenant, il reste un truc pas du tout clair pour moi : j'ai mis un point d'interrogation en face du mot "masse" de mon schéma car je ne sais pas si c'en est une. Et surtout à quoi sert t'elle. Côté moteur elle est raccordée sur la borne la plus proche du cylindre
20211224_154005.jpg
20220210_122056[1].jpg
Ce commutateur a t'il aussi pour fonction d'éteindre le moteur (il semble qu'il y ait une position avant la postion "-1" avant la position 0 du commutateur? Serait ce pour éteindre le moteur?
Je n'arrive pas à voir de changement à l'ohmmetre lorque je mets le commutateur vers cette position "-1". j'ai pourtant dans l'idée que la "masse "ramenée au commutateur pourrait avoir un role pour éteindre le moteur.
De façon générale, quelqu'un pourrait il me dire comment se fait l'extinction du moteur du point de vue électrique.
Par avance merci pour votre aide.
Avatar de l’utilisateur
guepar
Messages : 342
Inscription : 21 juil. 2014, 18:39
Localisation : Antony
Contact :

Re: Bernardet C50 Sortie de grange

Message par guepar »

Oui, Pujol l'avait expliqué plus haut, le 13 décembre :
1re position : tout et coupé, y compris le moteur
2e position : position moteur en marche
3e position : veilleuses AV/AR alimentées par la batterie.
4e position : code (alimenté en alternatif depuis le volant magnétique)
5e position : phare (Alim idem au code)
=> Double alimentation au niveau du commodo : alternatif et continu.
Dernière modification par guepar le 20 avr. 2023, 15:27, modifié 1 fois.
Christophe Fresneau
www.bernardet.com
Facebook : acvb.bernardet
Mon LIVRE BERNARDET est disponible sur le site !
BAZOGE
Messages : 50
Inscription : 10 déc. 2021, 07:51

Re: Bernardet C50 Sortie de grange

Message par BAZOGE »

guepar a écrit :Oui, Pujol l'avait expliqué plus haut, le 13 décembre :
1ére position : tout et coupé, y compris le moteur
2 ème postion : position moteur en marche
3 ème position : veilleuses AV/AR alimentées par la batterie.
4 ème position : code (alimenté en alternatif depuis le volant magnétique)
5 ème position : phare (Alim idem au code)
=> Double alimentation au niveau du commodo : alternatif et continu.
Merci Guepar,
Oui j'avais vu mais je ne savais pas si ce mode de fonctionnement correspondait aussi au contacteur VLC, il semble donc que oui. Et surtout je voudrai savoir ce qui se passe du point de vue électrique quand on est en position "tout coupé y compris le moteur, car j'ai beau promener l'ohmmetre je ne vois pas de changement d'état en passant de la position "moteur marche" à "tout coupé".
Avatar de l’utilisateur
pujol
...
...
Messages : 1352
Inscription : 03 mai 2008, 15:02

Re: Bernardet C50 Sortie de grange

Message par pujol »

BAZOGE a écrit : je voudrai savoir ce qui se passe du point de vue électrique quand on est en position tout coupé
En position arrêt moteur ("tout coupé"), les rupteurs sont mis à la masse en permanence depuis le commodo via le file raccordé à la borne blanche du stator (puis au condensateur et aux rupteurs).
Pièces jointes
Arrêt moteur.JPG
BAZOGE
Messages : 50
Inscription : 10 déc. 2021, 07:51

Re: Bernardet C50 Sortie de grange

Message par BAZOGE »

pujol a écrit :
BAZOGE a écrit : je voudrai savoir ce qui se passe du point de vue électrique quand on est en position tout coupé
En position arrêt moteur ("tout coupé"), les rupteurs sont mis à la masse en permanence depuis le commodo via le file raccordé à la borne blanche du stator (puis au condensateur et aux rupteurs).
Ah ok, c'est bien plus clair, ce que j'ai donc appelé "masse" sur mes schémas est en fait le fil relié à la borne blanche du stator pour mise à la masse. Il n'y a pas de fil de masse proprement dit qui va sur le contacteur VLC, mais je suppose que ça se fait tout simplement par les vis de fixation du contacteur VLC sur le guidon. Je vais vérifier que ça fonctionne bien comme ça. Merci Pujol
BAZOGE
Messages : 50
Inscription : 10 déc. 2021, 07:51

Re: Bernardet C50 Sortie de grange

Message par BAZOGE »

Bonjour,
Je m'apprête à commander mes anneaux Neiman pour la suspension avant.
Quelqu'un saurait t'il me dire si ce modèle convient ? On le recoupe à la scie à métaux pour le mettre à la largeur de 35?
https://www.franc-online.com/product_in ... s_id=12855
Par avance merci.
mcdouve
...
...
Messages : 2216
Inscription : 29 mai 2012, 22:50
Localisation : 32800 eauze (gers)

Re: Bernardet C50 Sortie de grange

Message par mcdouve »

salut, oui ça peut convenir mais pourquoi t embeter alors que pas mal de site vendent du 5x35 ça évite la découpe qui est fastidieuse, y a meme du 7x35 ou la tu pourras composer.
Avatar de l’utilisateur
guepar
Messages : 342
Inscription : 21 juil. 2014, 18:39
Localisation : Antony
Contact :

Re: Bernardet C50 Sortie de grange

Message par guepar »

Il faut 5 ANNEAUX MINIMUM.
L'anneau central DOIT être comprimé en U.
N'achetez pas ceux vendus sur ebay à 4 anneaux.


Pour exemples
http://www.remorques-franc.com/product_ ... ts_id=2302

https://www.remorque-33.com/accessoires ... -4743.html
et
https://www.franc-online.com/product_in ... cts_id=740
Christophe Fresneau
www.bernardet.com
Facebook : acvb.bernardet
Mon LIVRE BERNARDET est disponible sur le site !
BAZOGE
Messages : 50
Inscription : 10 déc. 2021, 07:51

Re: Bernardet C50 Sortie de grange

Message par BAZOGE »

Merci pour vos réponses, en effet c'est plus judicieux de commander directement en 35. Tant qu'on est dans le caoutchouc, si vous avez des adresses à suggérer pour les poignées à monter sur le guidon, car les miennes après 70 ans demandent la retraite...
Avatar de l’utilisateur
pujol
...
...
Messages : 1352
Inscription : 03 mai 2008, 15:02

Re: Bernardet C50 Sortie de grange

Message par pujol »

Voir éventuellement ici, les caoutchoucs se détaillent :
https://chambrier-pieces-motos.fr/fr/re ... gnet+saker
Avatar de l’utilisateur
Zebulon
Messages : 417
Inscription : 18 avr. 2006, 09:48
Localisation : Afghanistan
Contact :

Re: Bernardet C50 Sortie de grange

Message par Zebulon »

guepar a écrit : 18 févr. 2022, 18:57 Il faut 5 ANNEAUX MINIMUM.
L'anneau central DOIT être comprimé en U.
N'achetez pas ceux vendus sur ebay à 4 anneaux.

https://www.remorque-33.com/accessoires ... -4743.html
Salut quand tu dis qu'il faut 5 anneaux minimum, si j'achètte le produit ci-dessu avec 5 anneaux quel autre model dois-je achetter pour les compiler? Il faut un diamètre supérieur non?

Merci

Aurel
BAZOGE
Messages : 50
Inscription : 10 déc. 2021, 07:51

Re: Bernardet C50 Sortie de grange

Message par BAZOGE »

Bonjour à tous,
Quelques nouvelles :
- le moteur est revenu de "révision", c'est à dire démontage complet, changement de joints, roulements, embrayage, segments, allumage refait (bobine + vis platinée neuve), contrôle des jeux, bref la totale
20220315_084420[1].jpg
- la carrosserie a été aéro gommée (puis primaire au zinc pour éviter l'oxydation) et est maintenant chez mon carrossier de père car il y a au final des endroits bien perforés. Il ya une grosse semaine de boulot car le principe est de découper, former de nouvelles tôles et ressouder. Pas question de cacher la misère avec du syntho. Mais bon, malgré ses 84 ans ce jour, on peut dire qu'il n'a pas perdu la main :ouai!:
20220309_120059[1].jpg
- les moyeux de roues ont été entièrement révisés et repeints : 1 roulement neuf (les autres sont OK), joints spis neufs et freins regarnis. Il n'y aura plus qu'à remonter ces 2 ensembles le moment venu
20220312_154715[1].jpg
20220312_154702[1].jpg
En parallèle je repeint des petites pièces (cuvelage de phare, béquille, pédales freins + changement vitesse, cale pieds, vis spécifiques) et je vais attaquer le nettoyage des baguettes alu et autres monogrammes
Bref, l'aventure continue...
renan
.
.
Messages : 968
Inscription : 04 mai 2006, 14:37
Localisation : RP et Yonne

Re: Bernardet C50 Sortie de grange

Message par renan »

Magnifique !
Tôt ou tard vous viendrez au VeloSolex...
Avatar de l’utilisateur
guepar
Messages : 342
Inscription : 21 juil. 2014, 18:39
Localisation : Antony
Contact :

Re: Bernardet C50 Sortie de grange

Message par guepar »

Zebulon a écrit : 01 mars 2022, 12:45
Salut quand tu dis qu'il faut 5 anneaux minimum, si j'achètte le produit ci-dessu avec 5 anneaux quel autre model dois-je achetter pour les compiler? Il faut un diamètre supérieur non?

Merci

Aurel
Pas d'autre modèle, celui-ci est OK.
Christophe Fresneau
www.bernardet.com
Facebook : acvb.bernardet
Mon LIVRE BERNARDET est disponible sur le site !
BAZOGE
Messages : 50
Inscription : 10 déc. 2021, 07:51

Re: Bernardet C50 Sortie de grange

Message par BAZOGE »

Bonjour,
Bien que ce ne soit pas l'urgence, il va me manquer 2 vis de fixation des roues sur moyeux. Il en manquait une au démontage et une autre est fendue. Est ce quelqu'un aurait ça à vendre? Elle sont en laiton, c'est du 12 en pas à gauche
Ou sinon avez vous une suggestion pour les remplacer toutes en se rapprochant le + possible de l'origine?
20220316_083016[1].jpg
Bonne journée. Frank
Avatar de l’utilisateur
guepar
Messages : 342
Inscription : 21 juil. 2014, 18:39
Localisation : Antony
Contact :

Re: Bernardet C50 Sortie de grange

Message par guepar »

D'après Pujol, c'est totalement introuvable, même en pièces autos ou agricoles.
Il en a fait refaire pour son BM.250.
La Gachette aussi, un plan a été dessiné !
https://www.les-tontons-scooteurs.com/f ... &start=100
Christophe Fresneau
www.bernardet.com
Facebook : acvb.bernardet
Mon LIVRE BERNARDET est disponible sur le site !
BAZOGE
Messages : 50
Inscription : 10 déc. 2021, 07:51

Re: Bernardet C50 Sortie de grange

Message par BAZOGE »

Merci Guepar pour ces infos. Si Pujol pouvait me dire ou il a fait refaire ces écrous (et non pas vis comme écrit par erreur dans mon post précédent), ce serait bien utile. Sinon serait ce un hérésie de mettre un écrou borgne pas à gauche + 1 rondelle, sous réserve que l'écrou borgne de 12 existe au bon pas?
Avatar de l’utilisateur
pujol
...
...
Messages : 1352
Inscription : 03 mai 2008, 15:02

Re: Bernardet C50 Sortie de grange

Message par pujol »

À ma connaissance, il n'y a pas d'écrous standarts avec filetage à gauche dans ce diamètre et avec ce pas, sur le marché.

Le tourneur chez qui j'ai fait fabriquer mes écrous a arrêté sont activité. De plus, j'avais dû fournir le taraud qui n'est vraiment pas courant.
Avatar de l’utilisateur
jean-do
Messages : 1793
Inscription : 25 juin 2007, 21:22
Localisation : le breuil (en bourgogne)
Contact :

Re: Bernardet C50 Sortie de grange

Message par jean-do »

j'en ai a faire refaire aussi pour un BM250...
faut grouper qui en a besoin pour diminuer le cout unitaire ,comme d'hab !
jdo -6
l'intéressant est derrière le tablier...
9ème BiSBi National Rally 23-25aout 2024 ,
Prés' assoc' Bubblecars &Scooters en Bourgogne
http://bubblecars.aero-jean-do.com & https://www.facebook.com/profile.php?id=100000207327426#!/profile.php?id=100000207327426
BAZOGE
Messages : 50
Inscription : 10 déc. 2021, 07:51

Re: Bernardet C50 Sortie de grange

Message par BAZOGE »

Bonjour,
Ca va pas etre simple cette affaire, mais si refabrication il y a je veux bien en prendre 6
BAZOGE
Messages : 50
Inscription : 10 déc. 2021, 07:51

Re: Bernardet C50 Sortie de grange

Message par BAZOGE »

Sauf si quelqu'un a une adresse à suggérer d'un pro qui serait capable de relancer une fabrication, je veux bien essayer de lancer des recherches pour voir si quelqu'un saurait faire ça et à quel prix, puis centraliser les besoins.
Ca ne sera pas fait en 5 minutes, mais je veux bien tenter. Donc vos suggestions de tourneurs/fraiseurs sont les bienvenues dans un premier temps
Avatar de l’utilisateur
pujol
...
...
Messages : 1352
Inscription : 03 mai 2008, 15:02

Re: Bernardet C50 Sortie de grange

Message par pujol »

Mes écrous d'origine, (le plus foncé sur les photos) semblent être moulés en laiton.
Le filetage : M12 X 125 LH (à gauche)
Pièces jointes
20220317_152216.jpg
20220317_152140.jpg
Avatar de l’utilisateur
pujol
...
...
Messages : 1352
Inscription : 03 mai 2008, 15:02

Re: Bernardet C50 Sortie de grange

Message par pujol »

Il y a bien longtemps, les roues des véhicules étaient serrées à droite ou à gauche en fonction de leurs sens de rotation, pour éviter qu'elles se desserrent.

Sur les BM250 les moyeux AV et AR sont montés en sens inversés...
=> Dans ces conditions, pourquoi Bernardet a privilégié du pas à gauche ? (L'AV n'est pas logique)
Dernière modification par pujol le 17 mars 2022, 17:04, modifié 1 fois.
ML28
...
...
Messages : 930
Inscription : 18 janv. 2018, 19:46

Re: Bernardet C50 Sortie de grange

Message par ML28 »

Bonjour à tous,

C'est tellement proche de celui-ci qui est agricol, merci de me communiquer le diamètre de taraudage et le pas.
016.JPG
Avatar de l’utilisateur
pujol
...
...
Messages : 1352
Inscription : 03 mai 2008, 15:02

Re: Bernardet C50 Sortie de grange

Message par pujol »

ML28 a écrit : 17 mars 2022, 16:34 merci de me communiquer le diamètre de taraudage et le pas.
Pièces jointes
Screenshot_20220317-164420_Samsung Internet.jpg
Avatar de l’utilisateur
guepar
Messages : 342
Inscription : 21 juil. 2014, 18:39
Localisation : Antony
Contact :

Re: Bernardet C50 Sortie de grange

Message par guepar »

Bazoge, peux-tu refaire une photo du dessous de cet écrou ?
Collerette ou pas collerette en-dessous ?
Christophe Fresneau
www.bernardet.com
Facebook : acvb.bernardet
Mon LIVRE BERNARDET est disponible sur le site !
BAZOGE
Messages : 50
Inscription : 10 déc. 2021, 07:51

Re: Bernardet C50 Sortie de grange

Message par BAZOGE »

guepar a écrit : 17 mars 2022, 16:58 Bazoge, peux-tu refaire une photo du dessous de cet écrou ?
Collerette ou pas collerette en-dessous ?
Sans collerette en dessous
20220318_073234[1].jpg
Avatar de l’utilisateur
Markus
...
...
Messages : 818
Inscription : 16 juil. 2011, 19:02
Localisation : pas loin des vignes

Re: Bernardet C50 Sortie de grange

Message par Markus »

De mémoire, quand j’avais restauré mon BM, j’avais trouvé des écrous provenants de voitures des années 40, et qui avaient aussi des pas à droite et à gauche. Voir chez Depanauto par exemple ?
Avatar de l’utilisateur
jean-do
Messages : 1793
Inscription : 25 juin 2007, 21:22
Localisation : le breuil (en bourgogne)
Contact :

Re: Bernardet C50 Sortie de grange

Message par jean-do »

BAZOGE a écrit : 17 mars 2022, 10:17 Sauf si quelqu'un a une adresse à suggérer d'un pro qui serait capable de relancer une fabrication, je veux bien essayer de lancer des recherches pour voir si quelqu'un saurait faire ça et à quel prix, puis centraliser les besoins.
Ca ne sera pas fait en 5 minutes, mais je veux bien tenter. Donc vos suggestions de tourneurs/fraiseurs sont les bienvenues dans un premier temps
j'en ai a faire refaire aussi pour un BM250...
faut grouper qui en a besoin pour diminuer le cout unitaire ,comme d'hab !
l'intéressant est derrière le tablier...
9ème BiSBi National Rally 23-25aout 2024 ,
Prés' assoc' Bubblecars &Scooters en Bourgogne
http://bubblecars.aero-jean-do.com & https://www.facebook.com/profile.php?id=100000207327426#!/profile.php?id=100000207327426
Avatar de l’utilisateur
jean-do
Messages : 1793
Inscription : 25 juin 2007, 21:22
Localisation : le breuil (en bourgogne)
Contact :

Re: Bernardet C50 Sortie de grange

Message par jean-do »

Markus a écrit : 18 mars 2022, 07:50 De mémoire, quand j’avais restauré mon BM, j’avais trouvé des écrous provenants de voitures des années 40, et qui avaient aussi des pas à droite et à gauche. Voir chez Depanauto par exemple ?
y'a plus on a appelé



ma serie de 6 est en cours pour debut avril, manifestez vous s il vous en faut
l'intéressant est derrière le tablier...
9ème BiSBi National Rally 23-25aout 2024 ,
Prés' assoc' Bubblecars &Scooters en Bourgogne
http://bubblecars.aero-jean-do.com & https://www.facebook.com/profile.php?id=100000207327426#!/profile.php?id=100000207327426
Avatar de l’utilisateur
jean-do
Messages : 1793
Inscription : 25 juin 2007, 21:22
Localisation : le breuil (en bourgogne)
Contact :

Re: Bernardet C50 Sortie de grange

Message par jean-do »

Markus a écrit : 18 mars 2022, 07:50 De mémoire, quand j’avais restauré mon BM, j’avais trouvé des écrous provenants de voitures des années 40, et qui avaient aussi des pas à droite et à gauche. Voir chez Depanauto par exemple ?
y'a plus on a appelé



ma serie de 6 est en cours pour debut avril, manifestez vous s il vous en faut
l'intéressant est derrière le tablier...
9ème BiSBi National Rally 23-25aout 2024 ,
Prés' assoc' Bubblecars &Scooters en Bourgogne
http://bubblecars.aero-jean-do.com & https://www.facebook.com/profile.php?id=100000207327426#!/profile.php?id=100000207327426
Avatar de l’utilisateur
Fibo
Messages : 33
Inscription : 06 mars 2022, 19:25

Re: Bernardet C50 Sortie de grange

Message par Fibo »

Bonjour,

Si vous galérez à trouver un usineur pour le faire il y a toujours de nouvelles méthodes.


Par exemple :

Prise des cotes de l’écrou
Modélisation sur SldWorks
Impression 3D résine ( ou bien son négatif)
Moulage du model résine (ou bien le model de cire, coulé dans le négatif)
Coulage
Taraudage

On peut faire absolument tout avec cette méthode. Les imprimantes 3D résine impriment maintenant à 50 microns de précision, j'en ai une moi même.
BAZOGE
Messages : 50
Inscription : 10 déc. 2021, 07:51

Re: Bernardet C50 Sortie de grange

Message par BAZOGE »

jean-do a écrit : 19 mars 2022, 08:50
Markus a écrit : 18 mars 2022, 07:50 De mémoire, quand j’avais restauré mon BM, j’avais trouvé des écrous provenants de voitures des années 40, et qui avaient aussi des pas à droite et à gauche. Voir chez Depanauto par exemple ?
y'a plus on a appelé



ma serie de 6 est en cours pour debut avril, manifestez vous s il vous en faut
J'en veux bien 6. Combien ça coute?
mcdouve
...
...
Messages : 2216
Inscription : 29 mai 2012, 22:50
Localisation : 32800 eauze (gers)

Re: Bernardet C50 Sortie de grange

Message par mcdouve »

salut, des écrous de serrage de roues en résine j aurai pas trop confiance meme pas du tout.
Avatar de l’utilisateur
TONTONSCOOT
Site Admin
Site Admin
Messages : 10162
Inscription : 02 mars 2006, 09:52
Localisation : FIERVILLE LES PARCS (14)

Re: Bernardet C50 Sortie de grange

Message par TONTONSCOOT »

Mc Douve, il s’agit juste pour la résine de faire un moule !
-- IN RUST WE TRUST --
mcdouve
...
...
Messages : 2216
Inscription : 29 mai 2012, 22:50
Localisation : 32800 eauze (gers)

Re: Bernardet C50 Sortie de grange

Message par mcdouve »

et a partir du moule il est possible de sortir un écrou tout laiton qu il faudra couler sans doute?
Avatar de l’utilisateur
jean-do
Messages : 1793
Inscription : 25 juin 2007, 21:22
Localisation : le breuil (en bourgogne)
Contact :

Re: Bernardet C50 Sortie de grange

Message par jean-do »

un ecrou de roue ça se decollete , ou se taille dans la masse .... c'est pas une vis de parabole de phare, t'es un peu assis sur le scoot sur la route !
l'intéressant est derrière le tablier...
9ème BiSBi National Rally 23-25aout 2024 ,
Prés' assoc' Bubblecars &Scooters en Bourgogne
http://bubblecars.aero-jean-do.com & https://www.facebook.com/profile.php?id=100000207327426#!/profile.php?id=100000207327426
mcdouve
...
...
Messages : 2216
Inscription : 29 mai 2012, 22:50
Localisation : 32800 eauze (gers)

Re: Bernardet C50 Sortie de grange

Message par mcdouve »

salut oui c est bien ce qu'il me semble aussi.
Avatar de l’utilisateur
guepar
Messages : 342
Inscription : 21 juil. 2014, 18:39
Localisation : Antony
Contact :

Re: Bernardet C50 Sortie de grange

Message par guepar »

La recherche internet c'est bien fait quand même ! :=O:
Il y a une semaine qu'on parle de ça, et aujourd'hui, comme par hasard, je reçois un email publicitaire sur ma boite Bernardet de la société LMDT : https://www.lamaisondutaraud.com !!
:lol:
Christophe Fresneau
www.bernardet.com
Facebook : acvb.bernardet
Mon LIVRE BERNARDET est disponible sur le site !
BAZOGE
Messages : 50
Inscription : 10 déc. 2021, 07:51

Re: Bernardet C50 Sortie de grange

Message par BAZOGE »

Bonjour, je vais devoir changer la goulotte du réservoir car elle n'est plus de première fraicheur (fendue)
Sauf erreur de ma part il faut du 51 mm de diamètre et 250 mm de haut ça suffit largement. Peut être aussi du 50 mm si c'est du caoutchouc ça doit passer. On trouve bien ça dans le commerce, sous forme de tuyau, mais ça se vend en 1 mètre minimum et ce n'est pas vraiment donné avec les frais de port (on doit être dans les 50€). Quelqu'un a t'il une suggestion ou mieux un morceau de tuyau restant au bon diamètre, que je pourrai racheter?
Avatar de l’utilisateur
guepar
Messages : 342
Inscription : 21 juil. 2014, 18:39
Localisation : Antony
Contact :

Re: Bernardet C50 Sortie de grange

Message par guepar »

Durits voitures anciennes, ou durits camions ?
Christophe Fresneau
www.bernardet.com
Facebook : acvb.bernardet
Mon LIVRE BERNARDET est disponible sur le site !
Avatar de l’utilisateur
jean-do
Messages : 1793
Inscription : 25 juin 2007, 21:22
Localisation : le breuil (en bourgogne)
Contact :

Re: Bernardet C50 Sortie de grange

Message par jean-do »

pour la goulotte il faut aujourdhui de la durite essence , ( silicone noire ) .....de la vulgaire durite de circuit de refroidissement va véroler dans les 3 mois qui suivent la pose avec l'essence *..!....tout comme les spi de vilos d'ailleurs
(* a moins de faire une restau ouileurdilheure, ou un scoot de salon ! )
l'intéressant est derrière le tablier...
9ème BiSBi National Rally 23-25aout 2024 ,
Prés' assoc' Bubblecars &Scooters en Bourgogne
http://bubblecars.aero-jean-do.com & https://www.facebook.com/profile.php?id=100000207327426#!/profile.php?id=100000207327426
Avatar de l’utilisateur
smut
...
...
Messages : 371
Inscription : 10 mai 2013, 11:43
Localisation : Auneau 28

Re: Bernardet C50 Sortie de grange

Message par smut »

bonjour ; pour mon BM 250 ( idem que le C 50 ) j'ai pris de la goulotte de peugeot 404 et c'est nickel :;): .
bonne restauration a toi .
j'adore quand un plan se déroule sans accrocs "HANNIBAL SMITH"
Avatar de l’utilisateur
smut
...
...
Messages : 371
Inscription : 10 mai 2013, 11:43
Localisation : Auneau 28

Re: Bernardet C50 Sortie de grange

Message par smut »

Désolé ; me suis gourré :énervé: ; pas une durite de peugeot 404 : durite de peugeot J 5 , J 9 que tu trouvera sur eb
ay à 27 euros ( diamètre de 55 mm )
j'adore quand un plan se déroule sans accrocs "HANNIBAL SMITH"
Avatar de l’utilisateur
TONTONSCOOT
Site Admin
Site Admin
Messages : 10162
Inscription : 02 mars 2006, 09:52
Localisation : FIERVILLE LES PARCS (14)

Re: Bernardet C50 Sortie de grange

Message par TONTONSCOOT »

A titre perso, sur mon C50, c’est une goulotte d’essence de Peugeot 403, j’en avais en stock pour mon auto.
-- IN RUST WE TRUST --
BAZOGE
Messages : 50
Inscription : 10 déc. 2021, 07:51

Re: Bernardet C50 Sortie de grange

Message par BAZOGE »

Super, merci pour ces infos ! Voila donc un sujet qui va se résoudre bientôt. Dans la série "il me manque encore quelque chose" il va me manquer un bouton de commande de klaxon (il n'y en avait pas quand j'ai récupéré ce C50, donc je ne sais même pas la tête qu'il a. Je sais juste qu'il est bien séparé de la commande VLC de codes/phares/coupure moteur).
Et plus compliqué encore, la baguette en alu d'entourage de l'a plaque d'immat arrière (également non présente lors de la récupération). Si quelqu'un a ça ou une suggestion, je suis preneur. Sinon on s'en passera.
Après ça j'aurai à peu près tout ce qu'il faut pour le remontage (à part de la petite visserie pour fixer le monogramme Bernardet, le joint cylindrique d'entourage de phare, et les agrafes de baguettes alu mais ça doit se trouver je pense, pas encore cherché)
Sinon quelques infos : la carrosserie est toujours en cours de restauration chez mon père : finalement un gros travail à faire car beaucoup de découpes à faire sur des endroits bien attaqués. Mais si tout va bien, on va passer à l'étape peinture d'ici 2 semaines environ. J'en profite pour finir de préparer quelques bricoles, tout ce qui est baguettes/enjoliveurs alu est prêt à être remonté. Je mettrai 2-3 photos de la carrosserie semaine prochaine. J'ai également acheté les gaines, câbles et arrêt de gaine pour carbu/frein/embrayage. Bref, ça avance gentiment.
Avatar de l’utilisateur
smut
...
...
Messages : 371
Inscription : 10 mai 2013, 11:43
Localisation : Auneau 28

Re: Bernardet C50 Sortie de grange

Message par smut »

Bonjour Bazoge ; pour l'entourage de plaque d'immat.... arrière j'en ai une !
échange possible avec baguette d'entourage caisse arrière coté gauche ( manquant sur le mien :='(: )
envoi moi un MP et on en rediscute :;):
j'adore quand un plan se déroule sans accrocs "HANNIBAL SMITH"
Avatar de l’utilisateur
bobby lapointe
...
...
Messages : 217
Inscription : 08 mars 2006, 10:10

Re: Bernardet C50 Sortie de grange

Message par bobby lapointe »

smut a écrit : 26 mars 2022, 09:40 Bonjour Bazoge ; pour l'entourage de plaque d'immat.... arrière j'en ai une !
échange possible avec baguette d'entourage caisse arrière coté gauche ( manquant sur le mien :='(: )
envoi moi un MP et on en rediscute :;):
Pour les baguettes d'entourage de caisse,si quelqu'un a un plan pour du profilé équivalent,je suis interessé...
Avatar de l’utilisateur
TONTONSCOOT
Site Admin
Site Admin
Messages : 10162
Inscription : 02 mars 2006, 09:52
Localisation : FIERVILLE LES PARCS (14)

Re: Bernardet C50 Sortie de grange

Message par TONTONSCOOT »

-- IN RUST WE TRUST --
BAZOGE
Messages : 50
Inscription : 10 déc. 2021, 07:51

Re: Bernardet C50 Sortie de grange

Message par BAZOGE »

Bonjour à tous,
Voilà bien longtemps que je ne vous ai pas donné de nouvelles car beaucoup d'autres occupations ces derniers mois.
Alors où en est on?
En Avril Mai, mon carrossier de père a refait tout ce qui devait l'être. Après sablage, je me suis rendu compte en effet qu'un certain nombre de morceaux de carrosserie étaient bel et bien pourris. Donc découpes, refabrication des morceaux et soudures, un énorme travail. Ensuite en Juin choix de la teinte, apprêt phosphatant+ peinture chez mon frère garagiste et qui a une cabine de peinture et les compétences qui vont avec. Pas question de refaire un scooter neuf sorti d'usine donc j'ai volontairement laissé quelques déformations qui traduisent le vécu de ce Bernardet. C'est un choix délibéré donc.
en Juillet Aout, rien, j'ai juste récupéré la carrosserie peinte. En Septembre, début du remontage:
20220926_183315.jpg
20220920_185323.jpg
20220825_153318.jpg
Globalement ça se passe pas trop mal, il me faut beaucoup de temps car aucune expérience, mais pour le moment pas de bêtise à priori. Prochaine étape, remontage du garde boue avant, des moyeux de roue et du moteur.
J'ai donné les jantes chez un vendeur de scooter (qui a normalement pignon sur rue) pour remonter les pneus. Résultat, un pneu pas correctement en place et un autre qu'il n'a jamais réussi à monter (3 chambres à air éclatées). J'ai trouvé une autre entreprise (qui restaure des vieux solex, mobylette et autres) et qui m'a dit "je veux bien relever le défi"... J'espère que ça va marcher sinon je vous demanderai conseils car ça a l'air d'être un poème! Grace a la baguette d'entourage de plaque arrière de Smut et aux écrous de roues de Jean Do, ils ne me manque plus que les poignée de guidon et la commande de Klaxon. Le guidon, cocottes et les poignées ont été rechromées (c'est beau mais c'est super cher). Bref ça commence à prendre forme
La suite au prochaine épisode. Bonne journée !
BAZOGE
Messages : 50
Inscription : 10 déc. 2021, 07:51

Re: Bernardet C50 Sortie de grange

Message par BAZOGE »

Bonjour à tous,
Après une longue absence (autres chantiers prioritaires), je vous donne quelques nouvelles du C50. Après plusieurs semaines de patience, les pneus ont enfin été montés sur les jantes (5 chambres à air éclatées au total avec 2 pros différents, et dans les 2 cas, une furieuse envie "de ne plus les revoir"...).
Le remontage a donc pu reprendre samedi dernier :
20230211_184259[1].jpg
J'ai remonté les anneaux Neiman (4 ça passe mais 5 ça passe pas en effet sur un C50) par contre je ne sais pas si le 4ieme anneau doit bien être comprimé en U comme le suggère le site Bernardet.com ou bien si il doit rester en "O" comme actuellement monté
20230213_165420[1].jpg
Sinon comment fait on pour le maintenir comprimé en U? y'a t'il une pièce spécifique? (que je n'ai pas, vu que les anneaux avaient complètement disparu après environ 70 ans)
Par avance merci de votre aide.
Bonne journée !
Avatar de l’utilisateur
jean-do
Messages : 1793
Inscription : 25 juin 2007, 21:22
Localisation : le breuil (en bourgogne)
Contact :

Re: Bernardet C50 Sortie de grange

Message par jean-do »

chouette !!
normalement l'anneau en U c'est le plus petit placé à l'interieur, qui viendra s'etirer en plus quand les autres auront atteint leur extension de travail
amortissement progressif !
l'intéressant est derrière le tablier...
9ème BiSBi National Rally 23-25aout 2024 ,
Prés' assoc' Bubblecars &Scooters en Bourgogne
http://bubblecars.aero-jean-do.com & https://www.facebook.com/profile.php?id=100000207327426#!/profile.php?id=100000207327426
Avatar de l’utilisateur
jean-do
Messages : 1793
Inscription : 25 juin 2007, 21:22
Localisation : le breuil (en bourgogne)
Contact :

Re: Bernardet C50 Sortie de grange

Message par jean-do »

avis perso :
meme s'il n'est pas toujours facile et "mastiquement raisonnable" de faire une finition à l'américaine ....
avec un père et un frère carrossier , je regrette les tonches repeintes a neuf !
ça fait pas travail sérieux pour toi, et comme tu disais des gars des pneus, pas trop envie de leur confier mon véhicule a réparer !??!!
l'intéressant est derrière le tablier...
9ème BiSBi National Rally 23-25aout 2024 ,
Prés' assoc' Bubblecars &Scooters en Bourgogne
http://bubblecars.aero-jean-do.com & https://www.facebook.com/profile.php?id=100000207327426#!/profile.php?id=100000207327426
Répondre